M形机
M形机主要是将POY原丝(聚酯预取向丝),通过适度的拉伸和假捻变形在一起加工而成并且具有低弹性能的假捻变形丝(DTY涤纶弹力丝),如果在设备上选择增加网络部件还可以进行网络丝的加工。
一、主要部件性能与盘点
1.1、上热箱(变形热箱)采用联苯气相加热法,具有超温报警自切原丝功能。
1.2、采用单轴单电机直接传动, A/B两面可以相对独立运行。
1.3、采用叠盘式假捻器,A/B两面独立龙带驱动,安装陶瓷导入和导出盘,配置范围1-4-1至1-8-1可选,工作盘有PU盘及陶瓷盘两种规格可选。
1.4、W1/W2罗拉均采用皮辊式结构,铝合金皮圈架,W2带分丝辊
1.5、采用全新的筒管架及卷绕系统,单层独立上油槽,整体式上油辊。
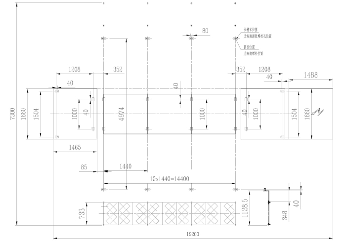
二、外形尺寸示意图
三、安装地脚图
| 锭数 | 240锭 | 264锭 | 288锭 | |
| 节数 | 10 | 11 | 12 | |
| 锭距 | 110mm | |||
| 高机械速度 | 1000m/min | |||
| 适纺原料及纤度 | 聚酰胺(锦纶)22-222dtex(20- 200Denier) | |||
| 节距 | 1440mm | |||
| 假捻方式 | 叠盘式假捻器摩擦假捻 | |||
| 假捻装置高转速 | 18000 r/min | |||
| 假捻方向 | S,Z可调 | |||
| 一热箱(变形) | 联苯气相加热/2000mm | |||
| 变形热箱温度范围 | 160-250℃ | |||
| 冷却方式和长度 | 冷却板自然冷却/1100mm +强制冷却箱/250mm | |||
| 摩擦辊直径 | Φ75mm | |||
| 罗拉直径 | Φ75mm | |||
| 上油罗拉直径 | Φ30mm | |||
| 原丝大尺寸 | Φ435×250mm | |||
| 大卷装尺寸 | Φ250×250mm | |||
| 卷装标准重量 | 5kg | |||
| 卷取纸管规格 | Φ69×Φ57×290mm | |||
| 装机功率分类 | 传动 | 84.5kw | 88.5kw | 91.5kw |
| 上热箱 | 68 kw | 74.8kw | 81.6kw | |
| 辅助功率 | 约6kw | |||
| 总功率 | 158.5kw | 169.3kw | 179.1kw | |
| 外形尺寸 | 19200×7300×5360 mm | 20640×7300×5360 mm | 22080×7300×5360 mm | |
| (配固定原丝架) | ||||