一、设备主要部件性能与特点:
1.1全新的结构设计及控制模式,采用单轴单电机直接传动,取消了同步带及涨紧轮,减少传动步骤,提高传动效率,降低故障率。A/B两面可以相对独立运行,工艺可以分别调整设置,在同一设备中同时可以加工两种不同的品种,提高了设备利用率,实现一机多用化。
1.2整机共配备两道热箱,热箱(变形热箱)和第二热箱(定型热箱)均采用联苯气相加热法,温控屏显精度为±10C,并且具有超温报警自切原丝功能,进一步确保染色的均匀性,有效确保纱线品质。
1.3采用PLC控制系统,整机通过人机交流实现工艺调整,触摸屏显示及操作使得工艺设定简单化,同时可预设网络接口,根据用户的需要可以进行多机联网管理;
1.4采用优质的电器元件,确保设备在使用过程中运行更为稳定、可靠;
1.5采用叠盘式Ⅷ型假捻器,A/B两面独立龙带驱动,安装陶瓷导入和刀口导出盘,配置范围1-4-1至1-7-1可选。
1.6 W1/W2/W3罗拉均采用皮辊式结构,铝合金皮辊架,压力均匀,其中W2带有分丝辊。
1.7高速卷绕成形系统,带动程修正,成形优良,易于高速退绕,定重定长,大卷装容量可达6kg。
二、产品外形示意图
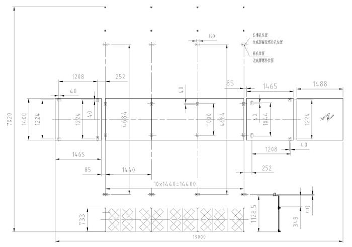
三、安装地脚图
| 锭数 | 240锭 | 264锭 | 288锭 | |
| 节数 | 10 | 11 | 12 | |
| 锭距 | 110mm | |||
| 高机械速度 | 1000m/min | |||
| 适纺原料及纤度 | 聚酯55-222dtex(50- 200Denier) | |||
| 节距 | 1440mm | |||
| 假捻方式 | 叠盘式Ⅷ型假捻器摩擦假捻 | |||
| 假捻装置高转速 | 18000 r/min | |||
| 假捻方向 | S,Z可调 | |||
| 一热箱(变形) | 联苯气相加热/2000mm | |||
| 二热箱(定型) | 联苯气相加热/1460mm | |||
| 变形热箱温度范围 | 160-250℃ | |||
| 定形热箱温度范围 | 160-250℃(低温联苯为100-180℃) | |||
| 冷却方式和长度 | 冷却板自然冷却/1100mm | |||
| 摩擦辊直径 | Φ100mm | |||
| 罗拉直径 | Φ75mm | |||
| 上油罗拉直径 | Φ75mm | |||
| 原丝大尺寸 | Φ435×250mm | |||
| 大卷装尺寸 | Φ250×250mm | |||
| 卷装标准重量 | 5kg | |||
| 卷取纸管规格 | Φ69×Φ57×290mm | |||
| 装机功率分类 | 传动 | 93.5kw | 107.5kw | 110.5kw |
| 上热箱 | 68 kw | 74.8kw | 81.6kw | |
| 下热箱 | 24 kw | 26.4kw | 28.8kw | |
| 辅助功率 | 约6kw | |||
| 总功率 | 191.5kw | 214.7kw | 226.9kw | |
| 外形尺寸 | 19000×7020×5360 mm | 20440×7020×5360 mm | 21880×7020×5360 mm | |
| (配固定原丝架) | ||||